|
SHLD-FMF11 调频雷达液位计「防腐型」
测量介质:液体
测量范围: 0.05m~30m
过程连接:G1½A / 1½NPT螺纹/ 法兰≥DN50
过程温度: -40~80℃
过程压力: -0.1~0.3 MPa
发 射 角: 7°
天线尺寸: 32mm透镜天线
产品概述 PRODUCT OVERVIEW
HBRD-FMF 系列传感器是120G调频雷达式物位测量仪表,测量距离可达30米。天线被进一步优化处理,新型快速的微处理器可以进行更高速率的信号分析处理,使得仪表可以用于高温高压等环境液体的测量。
产品原理 THE PRODUCT PRINCIPLE
调频连续波雷达物位计的通用原理为雷达在罐顶发射电磁波,电磁波碰到介质反射后被雷达接收,接收信号与发射信号之间的频率差 δ f 与介质表面的距离 R 成一定比例关系: R= C (速度) *δ f (频率差) /2/ K ( 调频斜率)。因为光速 C和调频斜率 K 已知,因此估算出频率差 δ f , 便可得到雷达安装位置料面的距离 R ,再通过已知的罐体总高,减去雷达到料面的空间距离(简称空高),得出料位的高度。
防护等级 PROTECTION GRADE

本仪表完全满足防护等级IP66/67的要求,请确保电缆密封头的防水性。如图
如何确保安装满足IP67的要求:
请确保密封头未受损。
请确保电缆未受损。
请确保所使用的电缆符合电气连接规范的要求。
在进入电气接口前,将电缆向下弯曲,以确保水不会流入壳体,见①
请拧紧电缆密封头,见②
请将未使用的电气接口用盲堵堵紧,见③
产品规格 PRODUCT SPECIFICATION

测量介质:液体
测量范围: 0.05m~30m
过程连接: G1½ A/1½NPT螺纹/法兰≥DN50
过程温度: -40~80℃
过程压力: -0.1~0.3 MPa
精 度: ±2mm
防护等级:IP67
中心频率:123GHz
电源:两线制(DC24V)/四线制(DC12V~24V)/四线制(AC220V)
外壳:铝/塑料/不锈钢
信号输出:二线制4...20mA/HART协议/四线制4...20mA /RS485 Modbus
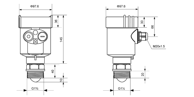
外观尺寸 APPEARANCE OF SIZE

技术参数 TECHNICAL PARAMETERS

仪表线性 INSTRUMENT LINEARITY

安装要求 INSTALLATION REQUIREMENTS
仪表在安装时避免安装在入料口的上方,尽量避开各种影响信号的物体,如搅拌桨等

在极端复杂的工况下,以雷达安装点为中心,半径20cm的区域内没有任何障碍物,仪表即可正常工作。


